欢迎来到pa视讯B2B订单网,请登录

充电枪线束.png
  • 充电枪线束.png
  • 03-1.png

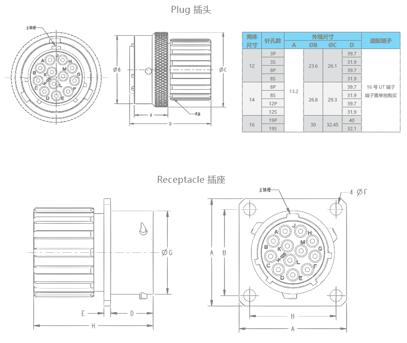
UT系列金属卡口式连接器

UT系列是金属卡口式信号连接器,参考美军标MIL-C-26482系列设计,采用16AWG冲压端子,连接安全可靠,是一款性价比非常高的通用型连接器,应用范围非常广泛,可与同类产品互换,产品具有快速连接和分离、体积小,密度高,耐环境好,可靠性高,可抗高冲击和震动等特点,在新能源汽车、航空、军用、测量仪器、监测设备、机械设备、通信设备、机器人技术、海上作业、医疗设备、石油化工设备、汽车、铁路及其它交通和工业领域中有着广泛的应用。

收藏商品

产品类别
  • 产品->新能源->高压连接与配电产品系列
应用描述
  • UT系列金属卡口式连接器

UT系列是金属卡口式信号连接器,参考美军标MIL-C-26482系列设计,采用16AWG冲压端子,连接安全可靠,是一款性价比非常高的通用型连接器,应用范围非常广泛,可与同类产品互换,产品具有快速连接和分离、体积小,密度高,耐环境好,可靠性高,可抗高冲击和震动等特点,在新能源汽车、航空、军用、测量仪器、监测设备、机械设备、通信设备、机器人技术、海上作业、医疗设备、石油化工设备、汽车、铁路及其它交通和工业领域中有着广泛的应用。

 

产品特色

 金属卡口式,参考美军标MIL-C-26482系列设计,完全兼容于其它公司生产的该类型产品,比如

   安费诺的RT系列,Souriau的TRIM、TRIO、UTG和UTP系列、ITT CANNON的Trident系列等;

 提供13A多种孔位信号传输,标准系列连接器;

 金属外壳,连接坚固可靠;

 快速连接/断开;

 三重啮合保障;

 多种防误插键位设计;

 可视、可触、可听的连接环;

 密封,IP67。

 

技术参数


Current rating 额定电流

13A

Operating Voltage 工作电压

250V DC

Withstanding Voltage 耐电压

2000V DC

Insulation resistance绝缘电阻

5000 MΩ Min

Operating Temp 工作温度

-55°C to 125°C

Water Proof 防水等级

IP 67 (Mated)

Flammability 防火等级

UL94V-0

Durability 插拔寿命

100 Cycles



         图片6.png



         图片7.png


产品系列及选项


          图片8.png



          图片9.png
关联产品
常购商品
为您推荐
公司简介|联系我们|网站地图|隐私声明|平台协议|快递查询

物料名称

物料编码

备注*